Your Trusted Mahindra Parts Dealer for 30+ Years — Experienced, Reliable, and Ready to Help

How to find Mahindra parts on BillsTractor.net on desktop and mobile, with option to search by part number.

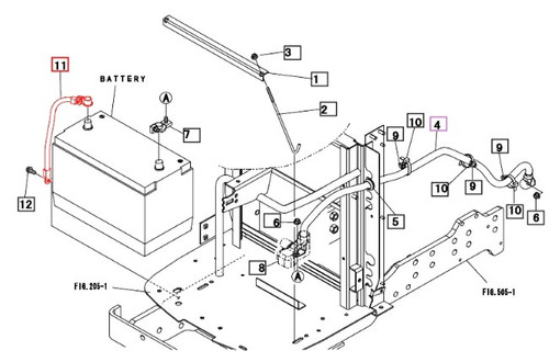
Mahindra Negative Battery Cable 005555075R92 For C27 C35 05 25 And 30–65 Series Tractors

Was: $53.59
Now: $47.99
No reviews yet Write a Review
SKU:
005555075R92
UPC:
1087

NEGATIVE BATTERY CABLE FOR MAHINDRA TRACTOR (005555075R92)

 

FITS MODELS: C27, C35, E350, 3505, 3325, 3525, 3535, 3825, 4005, 4025, 4035, 4505, 4525, 4535, 4540(2WD), 5005, 5035, 5525, 6025, & 6525

 

*** ALT PART #'S 005559088R1 & 005559254R91 ***

cdk-part-number:
005555075R92
filterby:
electrical
Model:
3505
Model:
4505
Model:
5005
Model:
4005
Model:
E350
Model:
3325
Model:
3525
Model:
C27
Model:
C35
Section:
ELECTRICAL
Section:
CABLE
Section:
BATTERY
Model:
3825
Model:
4035
Model:
4525
Model:
4535
Model:
4540
Model:
5035
Model:
5525
Model:
6025
Model:
6525