Your Trusted Mahindra Parts Dealer for 30+ Years — Experienced, Reliable, and Ready to Help

How to find Mahindra parts on BillsTractor.net on desktop and mobile, with option to search by part number.

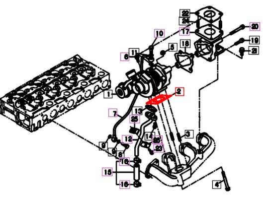
Mahindra Turbo Gasket E650017103 For 6010 HST Cabin And 6110 Gear Cabin 10 Series Tractors

Was: $18.92
Now: $14.99
No reviews yet Write a Review
SKU:
E650017103
UPC:
12649
PART NUMBER DESCRIPTION SERIES MODEL AGGREGATE GROUP NO. GROUP NAME
E650017103 GASKET 1, Turbo 10 Series 6010 HST Cabin Engine '6010SH_0013-M' TURBO GROUP
E650017103 GASKET 1, Turbo 10 Series 6110 Gear Cabin Engine 6110GC_106 TURBO GROUP
cdk-part-number:
E650017103
filterby:
gasket
Model:
6010
Model:
6110
Section:
ENGINE
Section:
GASKET