Your Trusted Mahindra Parts Dealer for 30+ Years — Experienced, Reliable, and Ready to Help

How to find Mahindra parts on BillsTractor.net on desktop and mobile, with option to search by part number.

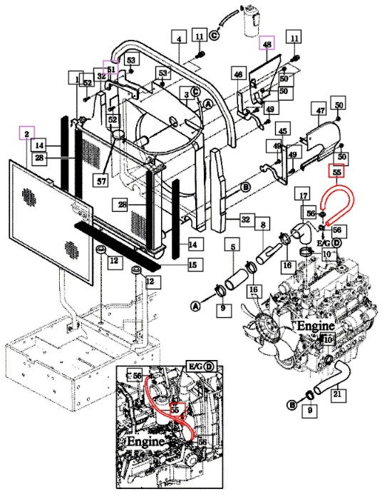
Mahindra Engine Filter Hose 12411030171 5010 Gear 4WD Gear Cabin HST Cabin

Was: $57.42
Now: $52.99
No reviews yet Write a Review
SKU:
12411030171
UPC:
4869
PART NUMBER DESCRIPTION SERIES MODEL AGGREGATE GROUP NO. GROUP NAME
12411030171 HOSE, Engine Filter 10 Series 5010 Gear 4WD Chassis 5010G-C-RADIA-11 RADIATOR
12411030171 HOSE, Engine Filter 10 Series 5010 Gear Cabin Chassis 5010-CAB-RADIATOR-1-11 RADIATOR
12411030171 HOSE, Engine Filter 10 Series 5010 HST Cabin Chassis 5010-HST-RADIAT-1-11 RADIATOR
cdk-part-number:
12411030171
filterby:
hose
filterby:
engine
Model:
5010
Section:
ENGINE
Section:
RADIATOR HOSE