Your source for mahindra parts

 

 

Navigation Instructions

 

For Desktop users: Click MAHINDRA

Use the Refine by on the left of your screen to narrow your search by Model and Section.

 

For Mobile users: Click the Hamburger button (3 lines) in the top left.

Click MAHINDRA

Browse by Model & Section.  Click Show Filters to choose your Model and Section

 

 

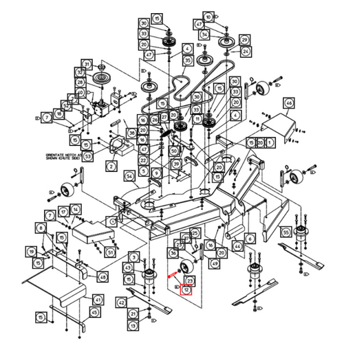
Mahindra V-Belt AME012763 – 60" Amerequip Mid-Mount Mowers Max, eMax, and 2516/Max28XL Models

Was: $283.64
Now: $230.99
No reviews yet Write a Review
SKU:
AME012763

 

PART NUMBER DESCRIPTION SERIES MODEL AGGREGATE GROUP NAME QTY
AME012763 V-Belt Mower AMEREQUIP-MAH1660 Basic 60" Mower (2516/Max28XL) MAH1660 Basic 60" Mower (SN # 3001 & later) MOWER DECK PARTS BREAKDOWN 1
AME012763 V-Belt Mower AMEREQUIP-MAHMX60 Basic 60" Mower (MAX22/MAX25) MAHMX60 Basic 60" Mower  (SN1001-4000) MOWER DECK SERVICE PARTS BREAKDOWN 1
AME012763 V-Belt Mower AMEREQUIP-MAHMX60 Basic 60" Mower (MAX22/MAX25) MAHMX60 Basic 60" Mower (From SN# 4001) MOWER DECK SERVICE PARTS BREAKDOWN 1
AME012763 V-Belt Mower AMEREQUIP-eMax 25M 60" MOWER(eMax 22 HST/25 HST,SN 1001 & LATER) eMax 25M MOWER MOWER DECK SERVICE PARTS PART 1 1
AME012763 V-Belt Mower AMEREQUIP-Max 24 Mower 60" Mower and Mounting (Max 22/24/25) (MAX24-5001 & Later) Max 24Mower MOWER DECK PARTS (PART2) 1
AME012763 V-Belt Mower AMEREQUIP-Max 26Mower - 60" Mower and Mounting  (Max 26/Max 28 XL)  (SN MAX26M-4001 & Later) Max 26Mower MOWER DECK PARTS BREAKDOWN (PART2) 1
AME012763 V-Belt Mower AMEREQUIP-eMax 22GM-60" MOWER(eMax 22 GEAR,SN 1001 & LATER) eMax 22GM MOWER DECK SERVICE PARTS BREAKDOWN 1
AME012763 V-Belt Mower AMEREQUIP-MAX 24 MOWER 60” MOWER AND MOUNTING (MAX 24M-6001 & LATER) AMEREQUIP-MAX 24 MOWER 60” MOWER AND MOUNTING MOWER DECK SERVICE PARTS BREAKDOWN 1
AME012763 V-Belt Mower AMEREQUIP-MAX 24 MOWER 60” MOWER AND MOUNTING (MAX 24M-6001 & LATER) AMEREQUIP-MAX 24 MOWER 60” MOWER AND MOUNTING MOWER DECK SERVICE PARTS BREAKDOWN 1
AME012763 V-Belt Mower AMEREQUIP-MAHMX60 Basic 60" Mower (MAX22/MAX25) MAHMX60 BASIC 60” MOWER(SN# 1001 & LATER) MOWER DECK SERVICE PARTS BREAKDOWN 1
cdk-part-number:
AME012763
Model:
MAX22
Model:
MAX28
Model:
MAX25
Section:
3-POINT
Section:
BELT
Section:
MOWER