Your Trusted Mahindra Parts Dealer for 30+ Years — Experienced, Reliable, and Ready to Help

How to find Mahindra parts on BillsTractor.net on desktop and mobile, with option to search by part number.

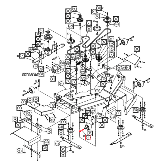
Mahindra Shoulder Bolt AME007057 – 1/2‑13 x 0.625 x 2.75 Anti‑Scalp Wheel Axle Bolt for 60" Amerequip Belly Mowers (Max 22/24/25, eMax 22/25)

Was: $51.22
Now: $42.99
No reviews yet Write a Review
SKU:
AME007057
UPC:
11133
PART NUMBER DESCRIPTION SERIES MODEL AGGREGATE GROUP NAME QTY USED ON TRACTOR
AME007057 SHOULDER Bolt, Hex 1/2-13 X .625 X 2.75 Mower AMEREQUIP-MAHMX60 Basic 60" Mower (MAX22/MAX25) MAHMX60 Basic 60" Mower  (SN1001-4000) MOWER DECK SERVICE PARTS BREAKDOWN 4
AME007057 SHOULDER Bolt, Hex 1/2-13 X .625 X 2.75 Mower AMEREQUIP-MAHMX60 Basic 60" Mower (MAX22/MAX25) MAHMX60 Basic 60" Mower (From SN# 4001) MOWER DECK SERVICE PARTS BREAKDOWN 4
AME007057 SHOULDER Bolt, Hex 1/2-13 X .625 X 2.75 Mower AMEREQUIP-eMax 25M 60" MOWER(eMax 22 HST/25 HST,SN 1001 & LATER) eMax 25M MOWER MOWER DECK SERVICE PARTS PART 1 4
AME007057 SHOULDER Bolt, Hex 1/2-13 X .625 X 2.75 Mower AMEREQUIP-eMax 25M 60" MOWER(eMax 22 HST/25 HST,SN 1001 & LATER) eMax 25M MOWER MOWER DECK SERVICE PARTS PART 2 4
AME007057 SHOULDER Bolt, Hex 1/2-13 X .625 X 2.75 Mower AMEREQUIP-Max 24 Mower 60" Mower and Mounting (Max 22/24/25) (MAX24-5001 & Later) Max 24Mower MOWER DECK PARTS (PART1) 4
AME007057 SHOULDER Bolt, Hex 1/2-13 X .625 X 2.75 Mower AMEREQUIP-eMax 22GM-60" MOWER(eMax 22 GEAR,SN 1001 & LATER) eMax 22GM MOWER DECK SERVICE PARTS BREAKDOWN 4
AME007057 SHOULDER Bolt, Hex 1/2-13 X .625 X 2.75 Mower AMEREQUIP-eMax 22GM-60" MOWER(eMax 22 GEAR,SN 1001 & LATER) eMax 22GM MOWER DECK SERVICE PARTS BREAKDOWN 4
AME007057 SHOULDER Bolt, Hex 1/2-13 X .625 X 2.75 Mower AMEREQUIP-MAX 24 MOWER 60” MOWER AND MOUNTING (MAX 24M-6001 & LATER) AMEREQUIP-MAX 24 MOWER 60” MOWER AND MOUNTING MOWER DECK SERVICE PARTS BREAKDOWN 4
AME007057 SHOULDER Bolt, Hex 1/2-13 X .625 X 2.75 Mower AMEREQUIP-MAX 24 MOWER 60” MOWER AND MOUNTING (MAX 24M-6001 & LATER) AMEREQUIP-MAX 24 MOWER 60” MOWER AND MOUNTING MOWER DECK SERVICE PARTS BREAKDOWN 4
AME007057 SHOULDER Bolt, Hex 1/2-13 X .625 X 2.75 Mower AMEREQUIP-MAHMX60 Basic 60" Mower (MAX22/MAX25) MAHMX60 BASIC 60” MOWER(SN# 1001 & LATER) MOWER DECK SERVICE PARTS BREAKDOWN 4
cdk-part-number:
AME007057
Section:
MOWER
Section:
BOLTS
Model:
MAX22
Model:
MAX24
Model:
MAX25
Model:
EMAX22
Model:
EMAX25